HX-CH7603A
Setup

Fig. 1: VRTK2 with HX-CH7603A

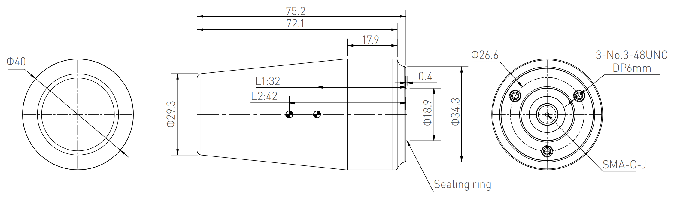
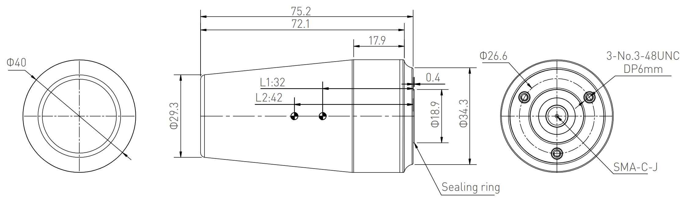
Fig. 2: HX-CH7603A antenna
Antenna phase center:

Test results
Conclusions
It consistently shows a better CN0 compared to the reference.
In terms of position accuracy, the difference is insignificant, we may need more tests.
Acceptable.





















