HX-CH6601A
Setup
.png?inst-v=76318eed-3f39-428c-b1f9-d11cbb01e641)
Fig. 1: VRTK2 with HX-CH6601A
.png?inst-v=76318eed-3f39-428c-b1f9-d11cbb01e641)
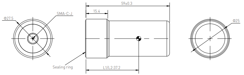
Fig. 2: HX-CH6601A antenna
Antenna phase center:

Test results
Conclusions
A bit worse in open sky conditions.
Similar performance in challenging conditions.
Worse than HX-CHX600A.
.png?inst-v=76318eed-3f39-428c-b1f9-d11cbb01e641)
Fig. 1: VRTK2 with HX-CH6601A
.png?inst-v=76318eed-3f39-428c-b1f9-d11cbb01e641)
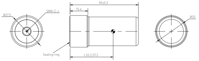
Fig. 2: HX-CH6601A antenna
Antenna phase center:

A bit worse in open sky conditions.
Similar performance in challenging conditions.
Worse than HX-CHX600A.